Buenas gente, quería saber si logré hacer bien el procedimiento para asociar resistencias en el siguiente ejercicio? Todos los valores están expresados en ohmn

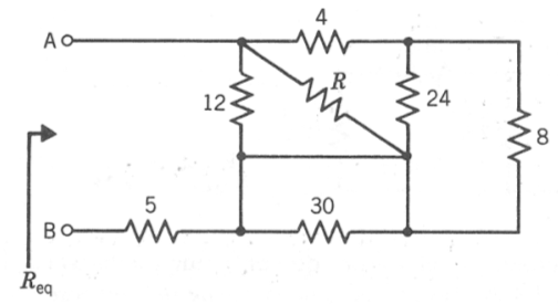
La resistencia representada con una R = 15 ohm
Primero agrupé R12 y R15 en paralelo = R20/3 ohms
Luego agrupé la R24 y R8 en paralelo = R6, que se puede agrupar en serie con R4 resultando en una R10,
Aprovecho para eliminar a R30 que está en cortocircuito con el cable que está en paralelo por encima de ella.
R20/3 ohms está paralela a R10, quedando una R4 en serie con R5 para terminar en R9
La resistencia representada con una R = 15 ohm
Primero agrupé R12 y R15 en paralelo = R20/3 ohms
Luego agrupé la R24 y R8 en paralelo = R6, que se puede agrupar en serie con R4 resultando en una R10,
Aprovecho para eliminar a R30 que está en cortocircuito con el cable que está en paralelo por encima de ella.
R20/3 ohms está paralela a R10, quedando una R4 en serie con R5 para terminar en R9








Comentario