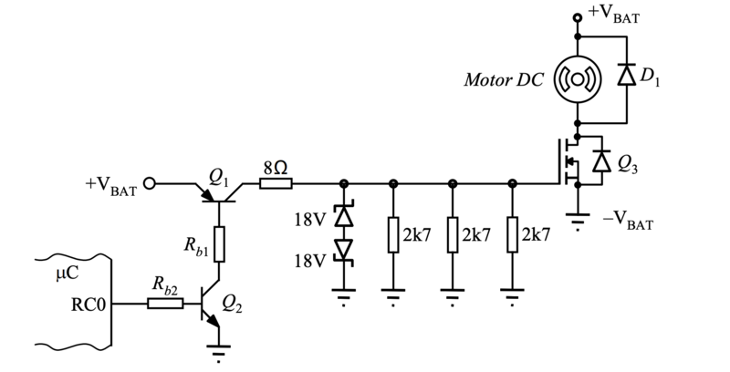
El siguiente esquema sirve para controlar la conexión y desconexión de un motor de escobillas de corriente continua.
Cuál es la función de las resistencias de 2k7 en este circuito? Y la del diodo D1??
Gracias, un saludo
Cuál es la función de las resistencias de 2k7 en este circuito? Y la del diodo D1??
Gracias, un saludo






Comentario