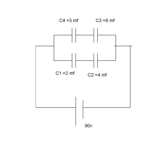
hola que tal el dia de hoy traigo, una confución con unos numeritos de un circuito de capacitores mepiden calcular .El diferencial para cada capacitor ,la carga de cada capacitor y además ya calcule la capacitancia equivalente y me sale 10/3 mf (micro farants) pero mi profe me dice que estoy mal .. podrian darme una pista de que estoy haciendo mal 






Comentario