hola tengo un pequeño problemilla con este ejercicio
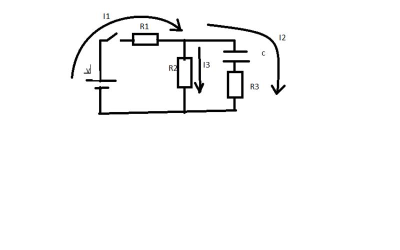
y es que tengo el circuito y en t=0 se cierra el interruptor por tanto se empieza a cargar el condensador pero me piden las intesidades I1, I2 e I3 en funcion del tiempo es decir segun se va cargando el condensador pero no se como hacerlo he planteado el sistema pero no se como seguir¿?
no se si lo que tengo que hacer es poner todas las intesidades como la derivada de la carga en funcion del tiempo, pero eso no me daria un sistema de ecuaciones diferenciales¿? lo pregunto porque no tendria ni idea de resolverlo 
muchas gracias
PD: sabeis de algun programa que dibuje circuitos en vez de tener que hacerlo con el paint¿?
					y es que tengo el circuito y en t=0 se cierra el interruptor por tanto se empieza a cargar el condensador pero me piden las intesidades I1, I2 e I3 en funcion del tiempo es decir segun se va cargando el condensador pero no se como hacerlo he planteado el sistema pero no se como seguir¿?

muchas gracias
PD: sabeis de algun programa que dibuje circuitos en vez de tener que hacerlo con el paint¿?




 
									
									
										
										
										








Comentario