Hola a todos,
Tengo que hacer un ejercicio para una asignatura de laboratorio y me gustaría saber si estáis de acuerdo con mis resultados, o bien con mi procedimiento. La verdad es que nunca había hecho nada parecido. El problema es el siguiente:
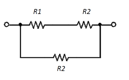
Tenemos un montaje de tres resistencias. Se pide calcular la resistencia equivalente del conjunto. La figura es esta:

Como veis es una asociación muy sencilla, en la que no hay problema para calcular la resistencia equivalente. Lo ''novedoso'' del problema es que cada valor de las resistencias está también influido por una tolerancia que da el fabricante, siendo ésta del 5%. Así pues, se pide calcular la resistencia equivalente con su correspondiente incertidumbre.
Los valores que tengo de las resistencias son: y .
Pues bien, en primer lugar lo que calculo es la incertidumbre absoluta de cada resistencia. Por tolerancia entiendo que se trata de la incertidumbre relativa, luego:
Luego tendría los siguientes valores de las resistencias debidamente expresados (por convenio solemos tomar dos cifras significativas para la incertidumbre):
Para los cálculos no obstante tomaré todos los decimales de la incertidumbre de la primera resistencia... Así pues, tenemos que está en paralelo con una asociación en serie de y.
Podemos reducir el circuito por tanto:
En lo que respecta a su error, al ser una medida indirecta:
Luego: . Insisto en que la incertidumbre de la resistencia equivalente final se calculará arrastrando todos los decimales de este último cálculo, de modo que no se acumulen errores de redondeo...
Por último, calculo la resistencia equivalente del montaje teniendo en cuenta que están en paralelo:
En cuanto a la incertidumbre, la obtengo derivando parcialmente, y obtengo la siguiente expresión simplifcando todo lo que he podido:
Luego la resistencia equivalente del montaje sería:
¿Estaría bien así? Es que es la primera vez que veo lo de la tolerancia del fabricante y no sé si se referirá a la incertidumbre relativa. El caso es que no dan más datos. Espero que coincidáis
Saludos,
Tengo que hacer un ejercicio para una asignatura de laboratorio y me gustaría saber si estáis de acuerdo con mis resultados, o bien con mi procedimiento. La verdad es que nunca había hecho nada parecido. El problema es el siguiente:
Tenemos un montaje de tres resistencias. Se pide calcular la resistencia equivalente del conjunto. La figura es esta:
Como veis es una asociación muy sencilla, en la que no hay problema para calcular la resistencia equivalente. Lo ''novedoso'' del problema es que cada valor de las resistencias está también influido por una tolerancia que da el fabricante, siendo ésta del 5%. Así pues, se pide calcular la resistencia equivalente con su correspondiente incertidumbre.
Los valores que tengo de las resistencias son: y .
Pues bien, en primer lugar lo que calculo es la incertidumbre absoluta de cada resistencia. Por tolerancia entiendo que se trata de la incertidumbre relativa, luego:
Luego tendría los siguientes valores de las resistencias debidamente expresados (por convenio solemos tomar dos cifras significativas para la incertidumbre):
Para los cálculos no obstante tomaré todos los decimales de la incertidumbre de la primera resistencia... Así pues, tenemos que está en paralelo con una asociación en serie de y.
Podemos reducir el circuito por tanto:
En lo que respecta a su error, al ser una medida indirecta:
Luego: . Insisto en que la incertidumbre de la resistencia equivalente final se calculará arrastrando todos los decimales de este último cálculo, de modo que no se acumulen errores de redondeo...
Por último, calculo la resistencia equivalente del montaje teniendo en cuenta que están en paralelo:
En cuanto a la incertidumbre, la obtengo derivando parcialmente, y obtengo la siguiente expresión simplifcando todo lo que he podido:
Luego la resistencia equivalente del montaje sería:
¿Estaría bien así? Es que es la primera vez que veo lo de la tolerancia del fabricante y no sé si se referirá a la incertidumbre relativa. El caso es que no dan más datos. Espero que coincidáis

Saludos,








Comentario