Anuncio

Colapsar
No hay ningún anuncio todavía.

circuito con fuente de alterna y de continua

Colapsar
X
 
  • Filtro
  • Hora
  • Mostrar
Borrar todo
nuevos mensajes

  • 1r ciclo circuito con fuente de alterna y de continua

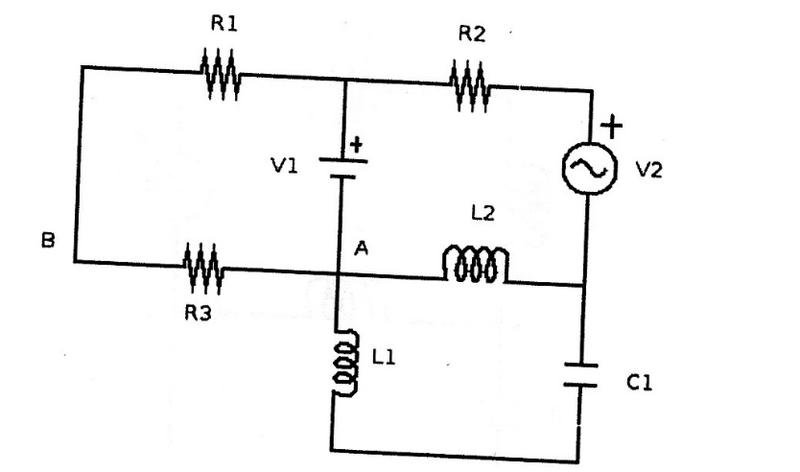
    este circuito es broma o en realidad da igual que tenga las fuentes de los 2 tipos?

    alterna y continua? como podría hacerlo?

    gracias y saludos!
    Archivos adjuntos
    http://profesorrupier.blogspot.com/

  • #2
    Re: circuito con fuente de alterna y de continua

    Haz una superposición. En estado estacionario (el circuito ha estado funcionando durante mucho tiempo) las bobinas se comportan como corto circuitos y el condensador como un circuito abierto para la fuente V1. Resuelve el circuito asumiendo que V2 no existe. Relsuelve de nuevo el circuito asumiendo que V1 no existe. Suma las dos soluciones.

    Saludos,

    Al
    Don't wrestle with a pig in the mud. You'll both get dirty, but the pig will enjoy it. - Parafraseando a George Bernard Shaw

    Comentario


    • #3
      Re: circuito con fuente de alterna y de continua

      ok.

      C1 y L1 están en paralelo con L2 no?

      como calcularía la I que hay en R2 en el instante 0.7 segundos?
      gracias
      Última edición por rupiopan; 24/04/2012, 12:09:27.
      http://profesorrupier.blogspot.com/

      Comentario

      Contenido relacionado

      Colapsar

      Trabajando...
      X