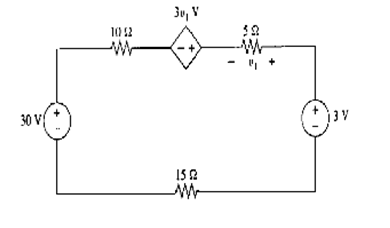
Encuentre y la potencia entregada por la resistencia de 10 ohm.
Tengo el mismo problema de siempre.... no se cuando es una caida y cuando un incremento de voltaje para saber si va un + o un -
Primero que nada no aparece dibujada ninguna corriente asi que yo supongo una y como se si la misma sera en sentido horario u antihorario? Yo asumo que voy a tomar una corriente en sentido horario, esto esta bien?
Luego cuando voy recorriendo el circuito en el sentido de la corriente y paso de un signo - a un + eso es un incremento? yo creo que si pero sigo con esa duda. Y creo que cuando pase de un + a un - es una caida y entonces ahi tengo que poner un signo menos esta bien eso?
Por ejemplo si opto por empezar desde la esquina inferior de la izquierda y aplico (KVL) tengo que primero paso por una fuente de 30 V y paso de un signo - a un + entonces escribo +30V esta bien?
Luego aparece la resistencia de 10 ohm que no tiene signos + y - dibujados pero creo que el signo + estaria a la izquierda y el signo - a la derecha con lo cual estoy yendo de un + a un - asi que seria -10i. Esto esta bien? aunque si esta bien igual no estoy segura de como poder asegurar que sera -10i y no sera +10i ya que los signos y - no estan dibujados...
Luego continuo haciendo lo mismo cada vez que paso de un + a un - lo represento con una caida (-) y cuado paso de un - a un + lo represento como una subida (+)
Por ejempo cuando llego a la ultima resistencia de 15 ohm aca tampoco me doy cuenta si al pasar por ella sera un +15i o un -15i porue no estan dibujados los signos + y - en la resistencia, como puedo saber eso?
O sea les pediria si me pueden explicar como quedaria la formula final de recorrer la malla esa con la corriente i, el como saber en cada caso si va un + o un -
Para mi quedaria asi :
Estoy asumiendo que en la resitencia de 15 ohm el sigo + estaba a la derecha de la misma entonces al pasar por ella hubo una caida por eso el -15i pero insisto no entiendo como poder saber con seguridad cuando poner + a - y tampoco se si hice bien eso de asumir que siempre que pase de un + a un - seria una caida y cuando se va de un - a un + es una subida
Gracias!
Tengo el mismo problema de siempre.... no se cuando es una caida y cuando un incremento de voltaje para saber si va un + o un -
Primero que nada no aparece dibujada ninguna corriente asi que yo supongo una y como se si la misma sera en sentido horario u antihorario? Yo asumo que voy a tomar una corriente en sentido horario, esto esta bien?
Luego cuando voy recorriendo el circuito en el sentido de la corriente y paso de un signo - a un + eso es un incremento? yo creo que si pero sigo con esa duda. Y creo que cuando pase de un + a un - es una caida y entonces ahi tengo que poner un signo menos esta bien eso?
Por ejemplo si opto por empezar desde la esquina inferior de la izquierda y aplico (KVL) tengo que primero paso por una fuente de 30 V y paso de un signo - a un + entonces escribo +30V esta bien?
Luego aparece la resistencia de 10 ohm que no tiene signos + y - dibujados pero creo que el signo + estaria a la izquierda y el signo - a la derecha con lo cual estoy yendo de un + a un - asi que seria -10i. Esto esta bien? aunque si esta bien igual no estoy segura de como poder asegurar que sera -10i y no sera +10i ya que los signos y - no estan dibujados...
Luego continuo haciendo lo mismo cada vez que paso de un + a un - lo represento con una caida (-) y cuado paso de un - a un + lo represento como una subida (+)
Por ejempo cuando llego a la ultima resistencia de 15 ohm aca tampoco me doy cuenta si al pasar por ella sera un +15i o un -15i porue no estan dibujados los signos + y - en la resistencia, como puedo saber eso?
O sea les pediria si me pueden explicar como quedaria la formula final de recorrer la malla esa con la corriente i, el como saber en cada caso si va un + o un -
Para mi quedaria asi :
Estoy asumiendo que en la resitencia de 15 ohm el sigo + estaba a la derecha de la misma entonces al pasar por ella hubo una caida por eso el -15i pero insisto no entiendo como poder saber con seguridad cuando poner + a - y tampoco se si hice bien eso de asumir que siempre que pase de un + a un - seria una caida y cuando se va de un - a un + es una subida
Gracias!









Comentario