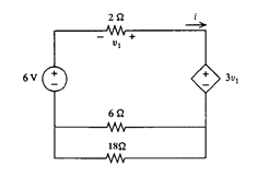
Encuentre i , v_1 y la resistencia vista por la fuente independiente ( Ej., la resistencia que unida a traves de la fuente independiente en lugar del resto del circuito daria la misma respuesta i )
Lo primero que hice fue armar la resistencia paralelo entre la de 6 y la de 18
Las 2 ecuaciones que planteo son :
Esta bien?
Luego lo que pide de la resistencia equivalente seria dibujar un nuevo circuito solamente con la fuente de 6 v y una resistencia R no?
Entonces me queda que :
y de aca donde i es la misma que encontre antes. Esta bien?
Gracias
Lo primero que hice fue armar la resistencia paralelo entre la de 6 y la de 18
Las 2 ecuaciones que planteo son :
Esta bien?
Luego lo que pide de la resistencia equivalente seria dibujar un nuevo circuito solamente con la fuente de 6 v y una resistencia R no?
Entonces me queda que :
y de aca donde i es la misma que encontre antes. Esta bien?
Gracias







Comentario