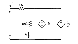
¿ A que resistencia simple es equivalente el siguiente circuito?
Bueno tengo muchos problemas aca...
Llamo malla 1 a la de la izquierda , malla 2 a la del medio y malla 3 a la de la derecha . Llamo a una corriente que circule por la fuente de voltaje dependiente de corriente .El extremo izquierdo del circuito donde esta dibujado el + y el - lo llamo v . entonces tengo :
Finalmente aplico KCL juntando los nodos y tengo
Bueno resuelvo y llego que TODO me da cero.
Entonces hice mal todas las ecuaciones? Ademas de eso me pregunta a que resistencia es equivalente el circuito no entiendo que quiere que haga......y encima que todo me da cero mas confundida aun..
Gracias
Bueno tengo muchos problemas aca...
Llamo malla 1 a la de la izquierda , malla 2 a la del medio y malla 3 a la de la derecha . Llamo a una corriente que circule por la fuente de voltaje dependiente de corriente .El extremo izquierdo del circuito donde esta dibujado el + y el - lo llamo v . entonces tengo :
Finalmente aplico KCL juntando los nodos y tengo
Bueno resuelvo y llego que TODO me da cero.
Entonces hice mal todas las ecuaciones? Ademas de eso me pregunta a que resistencia es equivalente el circuito no entiendo que quiere que haga......y encima que todo me da cero mas confundida aun..
Gracias









Comentario