Esto es algo muy importante que me hizo notar Atrode en un hilo y que luego lei en el libro pero no comprendo bien el porque alguien me puede ayudar a entenderlo?
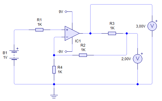
NO SE PLANTEA ECUACIÓN DE NUDO EN LA SALIDA DEL OP-AMP
NO SE PLANTEA ECUACIÓN DE NUDO EN LA SALIDA DEL OP-AMP





.
Comentario