Anuncio
Colapsar
No hay ningún anuncio todavía.
Circuito
Colapsar
X
-
-
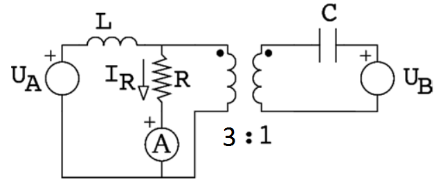
El condensador equivalente reducido al primario no está bien, puesto que no es 9C sino que debe ser C/9 como se explica en Circuito con transformador idealEscrito por cv5r20 Ver mensaje
Dado este circuito ¿estaría bien esta simplificación del circuito?
Saludos.
Contenido relacionado
Colapsar








Comentario