Buenas,tengo una duda para sacar los flujos del circuito magnetico

Yo tengo la V de entrada, el numero de espiras, he sacado la autoinduccion y me piden:
a)Calcular el reparto de flujos en las columnas II y III
b)Analizar el reparto de flujos
yo estoy alimentando por el primario de la columna I, puedo obtener el flujo de ahi a partir de (flujo)= E /4,44*N*f
como se supone que obtendria el reparto de flujos? mido la caida de tension en cada columna y luego lo hago con la formula? es la unica manera que se me ocurre
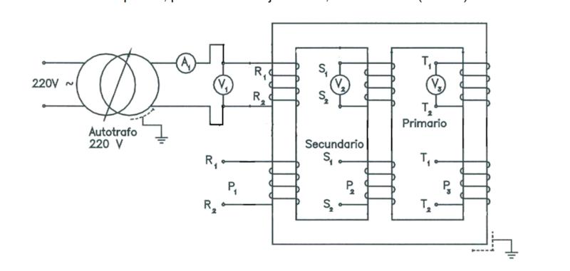
Yo tengo la V de entrada, el numero de espiras, he sacado la autoinduccion y me piden:
a)Calcular el reparto de flujos en las columnas II y III
b)Analizar el reparto de flujos
yo estoy alimentando por el primario de la columna I, puedo obtener el flujo de ahi a partir de (flujo)= E /4,44*N*f
como se supone que obtendria el reparto de flujos? mido la caida de tension en cada columna y luego lo hago con la formula? es la unica manera que se me ocurre

