Anuncio
Colapsar
No hay ningún anuncio todavía.
Corriente salida de un AO
Colapsar
X
-
-
Re: Corriente salida de un AO
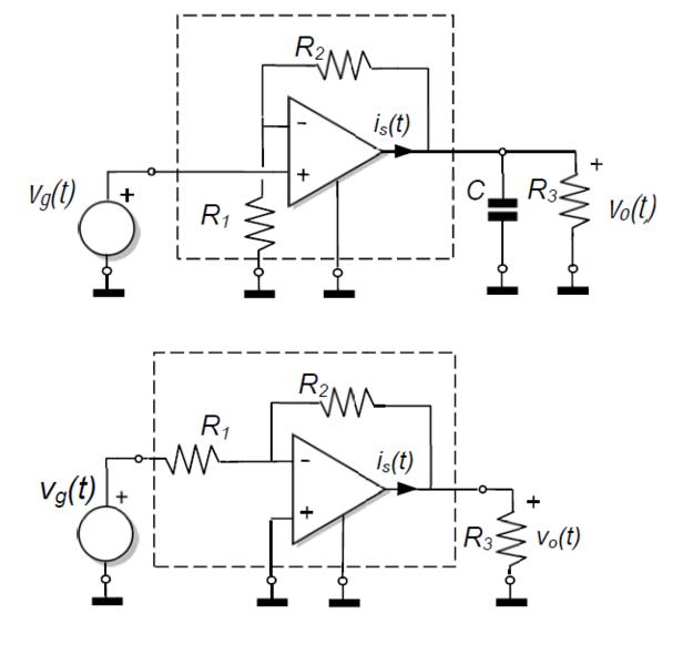
El planteamiento que preguntas es el típico de los circuitos con un OA, es decir:
- Plantea como incógnitas las tensiones en el nodo (-) del OA y en la salida del OA
- Escribe las ecuaciones de Kirchhoff para esos dos nodos (en el dominio de Laplace), teniendo en cuenta que si el OA es ideal, V(+)=V(-)=V_ y la corriente por R2 es la misma que por R1
- Resuelve el sistema de ecuaciones y obtén la tensión en el nodo de salida del OA, que es Vo(s).
- Calcula la corriente en la carga (compuesta por Z=1/(sC)+R3 o Z=R3 ) como Io(s)=Vo(s)/Z
- Obtén la corriente de salida del OA como Is(s)= Io(s)-[V_(s)-Vo(s)]/R2Última edición por Rodri; 02/09/2014, 14:50:01. Motivo: por la reedición de la imagen del post originalAunque todas las posibles preguntas de la ciencia recibiesen respuesta, ni siquiera rozarían los verdaderos problemas de nuestra vida
L. Wittgenstein
- 1 gracias
-
Re: Corriente salida de un AO
Me había equivocado al subir la imagen, jajajajaja, ya está editado.Escrito por Rodri Ver mensajeEn primer lugar te preguntaría ¿es esto el típico juego de "encuentre las 7 las diferencias"? Por más que las miro las dos figuras me parecen idénticas, así que creo que solo se trata de un problema único.
Respecto a tu respuesta, en este ejercicio todavía no se me permite trabajar en el dominio de Laplace, al planteamiento al que yo había llegado es:
1ª ley de Kirchhoff:
is(t) = iR2+iC+iR3 = +C +
Y aquí ya sustituiría Vg por su expresión en función de Vo y obtengo is(t).
Y en el otro circuito (amplificador inversor) es en el q más problemillas estoy teniendo para plantear la 1LK en el nod0.
Podrías ayudarme con eso?
Gracias.
Comentario
-
Re: Corriente salida de un AO
Siempre ten en cuenta cuando trabajes con Amop. hay 3 consideraciones básicas que debes tener en cuenta y que toda empresa que los desarrolla busca. Idealmente un Amop tiene impedancia infinita en sus entradas, la impedancia de salida es 0 y la ganancia tiende a infinito. Oviamente eso no se da pero se busca. Es por esto que para que no sature se realimenta.
Al tener impedancia infinita la tensión en la entrada inversora es igual a la tensión en la entrada no inversora. Como ves en el segundo circuito la entrada no inversora está a masa por lo tanto la entrada inversora tienen el mismo potencial, lo que se llama una masa virtual. La corriente de entrada es igual a la corriente que circula por la malla de la realimentación.
La corriente is(t) es igual a la corriente de realimentación ir más la corriente en la carga il.
En función de la tensión VgPor más bella o elegante que sea la teoría, si los resultados no la acompañan, está mal.
- 1 gracias
Comentario
-
Re: Corriente salida de un AO
La respuesta de julian403 es la correspondiente al caso sin condensador.
Para el caso del condensador se tendrá
, donde he tenido en cuenta que la impedancia de entrada del OA es infinita y por tanto toda la corriente por R1 va por R2 junto con el principio de cortocircuito virtual en las dos entradas del OA.
La ecuación anterior permite despejar:
Y la corriente en la carga (formada por R3 en paralelo con C) será
La corriente que sale del OA será igual a menos la corriente que viene de R2:
que puede calcularse de inmediato teniendo en cuenta las anteriores expresiones de y de en función deÚltima edición por Rodri; 03/09/2014, 09:10:26.Aunque todas las posibles preguntas de la ciencia recibiesen respuesta, ni siquiera rozarían los verdaderos problemas de nuestra vida
L. Wittgenstein
- 1 gracias
Comentario
Contenido relacionado
Colapsar







Comentario