Anuncio
Colapsar
No hay ningún anuncio todavía.
Transitorio
Colapsar
X
-
Re: Transitorio
El transistorio consiste en encontrar la expresión para la corriente y si fuera necesario las tensiones en cada elemento.
Calcula primero la corriente considerando un impedancia equivalente. O aplicas ecuaciones diferenciales o usa la transformada de laplace. Te recomiendo esta última.Hola a todos, tengo una duda en este ejercicio y es que no se como calcular la tau ya que hay 2 ramas con bobina y resistencia en serie. Para cada bobina habra una tau distinta?Por más bella o elegante que sea la teoría, si los resultados no la acompañan, está mal.
-
Re: Transitorio
Se que aplicando transformada de laplace se hace el calculo mas facil, pero tengo que hacerlo sin la transformada. Y no me queda claro cual seria la tau en este caso porque no se como sacar la impedancia equivalente para cada bobina ya que quiero calcular la intensidad en cada ramaÚltima edición por Nitroni; 12/06/2015, 16:31:45.
Comentario
-
Re: Transitorio
Calculas la impedancia equivalente. La cual tiene una parte resistiva y luego una parte inductiva. Aplicas la segunda ley de kirchoft, siempre, es la base.
Te quedará una función cuyo exponente es t R/L. tau es R/L
Ahora no sé que te pide del transitorio si la corriente o alguna tensión en algún componente. Igual, tendrás que saber la corriente total primero. Despues para la corriente en cada rama usa el concepto de divisor de corriente, análogo al divisor de tensión.Por más bella o elegante que sea la teoría, si los resultados no la acompañan, está mal.
Comentario
-
Re: Transitorio
Me piden la tension en los terminales de las ramas. Pero tambien quiero calcular las intensidades. No entiendo desde que terminales estas sacando la impedancia equivalente. Yo he considerado los instantes 0<t<20ms (antes de cerrar el interruptor) y t>20ms .
Para el primer intervalo, eligiendo e para cada rama y tomando condiciones iniciales nulas.
No estoy muy seguro si estara bien. Todavia no he entiendo como sacas tau en este problema. Suele ser facil cuando hay solo una bobina o hay mas de una pero estan en serie o paralelo, pero en esta topologia se me hace dificil verlo.Última edición por Nitroni; 12/06/2015, 18:34:40.
Comentario
-
Re: Transitorio
es el producto de la corriente en cada rama por la impedancia de la rama. O tan simple como calcular la corriente, multiplicarla por ambas resistencias al principio y restar ese valor al de la fuente.Me piden la tension en los terminales de las ramas
Necesitas calcular las intensidades.Pero tambien quiero calcular las intensidades
La impedancia equivalente es la impedancia de todo el circuito. Por ejemplo la rama más a la izquierda tiene una impedancia de . La de la otra rama es: . A esa tienes que calcularle el paralelo y ese paralelo está en serie con las otras 2 resistencias.No entiendo desde que terminales estas sacando la impedancia equivalente.
Sin la transformada la inductancia equivalente es el paralelo de las 2 que están y la resistencia equivalente es el paralelo de las resistencia en las ramas de la derecha más las otras 2 resistencias.
Tienes la impedancia equivalente, de ahí planteas la ecuación diferencial que te plantié, que cumple con la ley de kirchofth de tensiones. Al resolverla solo tienes la solución homogenea y no la particular, ya que es una tensión continua. La solución de la ecuación homogenea, te va a quedar con una expresión de la forma en donde R/L tiene unidades de 1/tiempo y ahí se define el tau como tau= R/L, es por definición.
Una vez que tienes la expresión para la corriente puedes encontrar la caida de tensión en las ramas con inductancias, ya que están en paralelo. Aplicas kirchoft nuevamente. Hasta si quieres otra forma de hacerlo es plantear el teorema de thevenin.
A simple ojo se ve que las corriente están mal. Las corrientes en un instante de tiempo no te tiene que quedar una expresión con la variable t porque para obtener la corriente en un tiempo tienes que evaluarla en el tiempo que quieres.No estoy muy seguro si estara bien. Todavia no he entiendo como sacas tau en este problema. Suele ser facil cuando hay solo una bobina o hay mas de una pero estan en serie o paralelo, pero en esta topologia se me hace dificil verlo.
Si no sabes lo básico, como kirchoft, thevenin, impedancias equivalentes, y herramientas matemáticas como ecuaciones diferenciales y en este nivel laplace que te va a simplificar la vida, es muy dificil que puedas hacer esto. Primero aprende lo básico.Por más bella o elegante que sea la teoría, si los resultados no la acompañan, está mal.
Comentario
-
Re: Transitorio
Las corrientes las he dejao en funcion del tiempo porque no habia calculado tau y solo queria saber si tenia bien las expresiones para las corrientes. Dices que solo hay solucion homogenea. No hay tambien particular que seria cuando esta en regimen permanente???. La solucion homogenea no es cuando se quitan las fuentes de excitacion?. Bueno segun me dices, he hecho lo siguiente:
Seria correcto?Última edición por Nitroni; 13/06/2015, 18:15:31.
Comentario
-
Re: Transitorio
Si, la corriente principal está bien. luego para saber la corriente en las ramas,
Por lo que las corrientes en cada rama serán.
Por lo que vez no te salvas de las ecuacioens diferenciales, es por eso que es conveniente la transformada de laplace. por ejemplo para la corriente i1
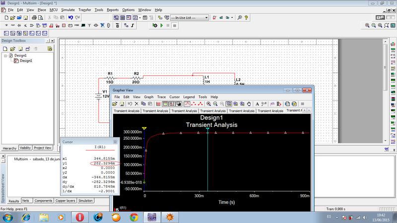
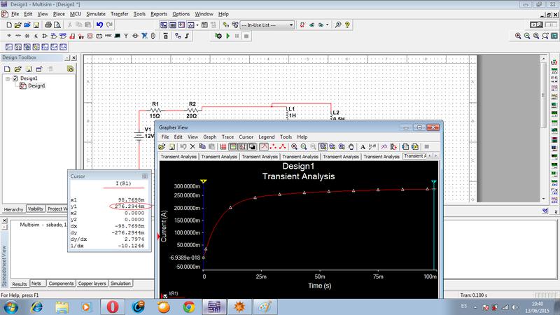
Algo fundamental para estos ejercicios es usar simuladores, mirá la gráfica que obtengo del transistorio con respecto a la corriente principal y fijate como el valor tiende al que obtuviste, 0.282,
claro al análisis tendría que darle un poco más de tiempo. Como en el siguiente:
Por más bella o elegante que sea la teoría, si los resultados no la acompañan, está mal.
- 1 gracias
Comentario
-
Re: Transitorio
Ya veo que es mucho mas complicado resolviendolo por ecucaciones diferenciales. Todavia me cuesta trabajo entender de donde sale esa expresion de la intensidad de las ramas. Se podria resolver tambien aplicando el metodo de las mallas ya que saldria un sistema de ecuaciones diferenciales no?.
Comentario
Contenido relacionado
Colapsar






Comentario