hola les agradecería que me ayudasen a realizar este ejercicio, en si parece fácil, pero aun me complico al hacer el análisis supongo, ojala me dieran unos pasos para hacerlo bien gracias
En el circuito de la figura, calcular:
a) La constante de tiempo RC
b) La diferencia de potencial final Vab en el condensador.
c) I1 e I2 para t = 0 s, t = 0.5 s y t = infinito.
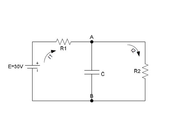
En el circuito de la figura, calcular:
a) La constante de tiempo RC
b) La diferencia de potencial final Vab en el condensador.
c) I1 e I2 para t = 0 s, t = 0.5 s y t = infinito.




Comentario