Buenas noches
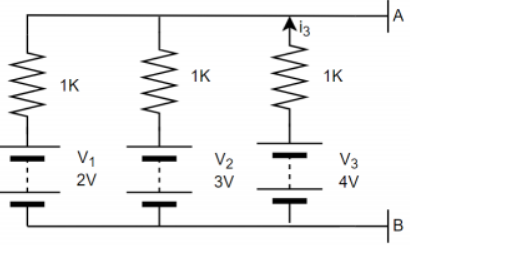
1) La corriente que pasa a través de i4 / i3 (respectivamente) y el voltaje AB
2) Emplear el teorema de Thevenin para simplificar el circuito
3) Aplicar una carga resistiva al equivalente Thevenin que recibirá máxima potencia. Indicar el valor de la carga resistiva y calcular el voltaje y la corriente a través de él.
4) Emplear el teorema de Norton para sustituir las baterías por una fuente de corriente constante, aplicar la misma carga de la parte 3) y confirmar la corriente y el voltaje de carga previamente calculados.
necesito algo de ayuda
1) necesito corfirmar si esta bien 1) i3 = 4/1 = 1 mamp
2) aca debo abrir el circuito yo lo hice en i3
me quedo aplicando ley de ohm
una corriente de
Rt = 0.5 k y una v total de 5v
para obtener it = 5/0.5
10 ma
3 ) el teorema de la maxima transf lo olvide espero no sea mucha molestia si me lo recuewrdan
4) esta ligado al 3 bueno esperpo aunque sea una porientacion al respecto
lo digo para que no infringir normas sobre que no hice ningún esfuerzo busque por Internet pero son demasiados sencillos los ej en comparación con los problemas en estudio
gracias por su compresion








Comentario