Alguien sabría echarme una mano con el siguiente problema:
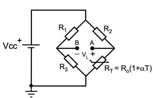
a) Determina la relación entre los valores de las resistencias R1, R2, R3 y para que se cumpla que cuando T=0ºC.
B) ParaR1=R2 = y R3= determina el valor de para T distinto de 0ºC
Supongo que con VL se refiere a la tensión que sale De la Fuente, pero aún así no sé cómo proceder para obtener las relaciones.
a) Determina la relación entre los valores de las resistencias R1, R2, R3 y para que se cumpla que cuando T=0ºC.
B) ParaR1=R2 = y R3= determina el valor de para T distinto de 0ºC
Supongo que con VL se refiere a la tensión que sale De la Fuente, pero aún así no sé cómo proceder para obtener las relaciones.






Comentario