Buenas, tengo una duda con este ejercicio.
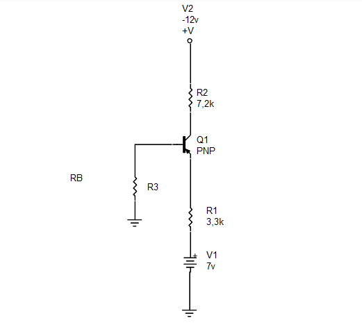
En el siguiente circuito hay un transistor con β = 170, calcular los valores de Resistencia en Rb para que el circuito se polarice en saturación, región Activa Ideal y en corte.
Para saturacion me fije en la siguiente formula Ic < β . Ib entonces, y por lo tanto

Aun me falta región activa y corte pero no se si este correcto como lo hago.
Si me pueden ayudar, muchas gracias.
En el siguiente circuito hay un transistor con β = 170, calcular los valores de Resistencia en Rb para que el circuito se polarice en saturación, región Activa Ideal y en corte.
Para saturacion me fije en la siguiente formula Ic < β . Ib entonces, y por lo tanto
Aun me falta región activa y corte pero no se si este correcto como lo hago.
Si me pueden ayudar, muchas gracias.








Comentario