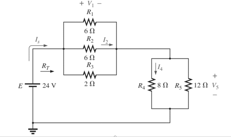
- Para el siguiente circuito
- Determine la resistencia equivalente y la corriente de la fuente
- Determine la tensión V1 en la resistencia de 6Ω.
- Determine la corriente I2 e I4
- Determine la caída de voltaje V5
Anuncio
Colapsar
No hay ningún anuncio todavía.
circuitos electricos
Colapsar
X
-
Otras carreras
circuitos electricos
-
Yo primero resolvería el paralelo de las resistencias R1, R2 y R3, , cuyo resultado llamo RP1 luego el paralelo de las resistencias R4 y R% , que llamo RP2 , luego resuelvo la resistencia en serie de RP1 y RP2 llamando a ese resultado resistencia del circuito RT
luego la corriente sale por ley de Ohm
la caída de tensión en entre los nodo que une los bornes de R2 es igual a lacida entre los bornes del paralelo 1 ,la corriente i2 sale de despejarla de la ecuación
la caída de tensión en R5 es la misma que en el paralelo 2
Contenido relacionado
Colapsar









Comentario