Anuncio
Colapsar
No hay ningún anuncio todavía.
Impedancia de entrada de un amplificador operacional AOP
Colapsar
X
-
Otras carreras Impedancia de entrada de un amplificador operacional AOP
Última edición por Pablito; 19/06/2016, 18:21:34. -
Re: Impedencia de entrada de un AOP
Hola:
No te olvides que es un circuito realimentado con un AO, así que las impedancias de realimentación también aparecerán a la entrada.
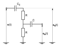
Para resolver el circuito con un AO ideal debes tener en cuenta el principio del cortocircuito virtual entre los terminales de entrada del AO (por esto el terminal del AO marcado con el signo + estará al mismo potencial que la salida del circuito e(t), por la realimentación superior), y la impedancia infinita entre sus entradas, por lo cual no hay corriente que circule por el terminal + del AO, nos permite inferir que el circuito de entrada que deberemos evaluar es el siguiente:
s.e.u.o.
SuerteÚltima edición por Breogan; 25/06/2016, 05:02:19.No tengo miedo !!! - Marge Simpson
Entonces no estas prestando atención - Abe Simpson
-
Procedemos a detallar la resolución de este ejercicio que ha sido consultado muchas veces. Tal como bien explica Breogan, debido al cortocircuito virtual en la entrada del Op. Amp. el circuito a analizar es:
La impedancia de entrada de este circuito con amplificador operacional es:
Operando para separar parte real y parte imaginaria:
Saludos.Última edición por Alriga; 15/12/2020, 13:54:49.
Comentario
Contenido relacionado
Colapsar









Comentario