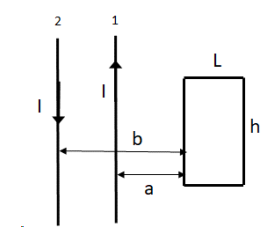
Calcular la fuerza electromotriz inducida en una espira por un par de hilos paralelos de gran longitud por los que circula una corriente variable con el tiempo igual pero de sentidos contrarios.
Anuncio
Colapsar
No hay ningún anuncio todavía.
Calcular la fuerza electromotriz inducida en una espira
Colapsar
X
-
Hola nadie22 , recuerda que aquí no estamos para resolverle la tarea a nadie, así que por favor en cada problema que nos propongas, escribe que es lo que has intentado, explica donde te trabas y cuales son tus dudas. Luego el que quiera podrá ayudarte con lo que sabe, pero no es buen indicador que tires 5 o 6 enunciados para que te los resuelvan sin mediar palabra.
recuerda que has suscripto cumplir con las normas del foro y respetar las prohibiciones específicas como
Escrito por Admin Ver mensaje9.6. Al pedir ayuda sobre un tema, el usuario deberá tener en cuenta que está utilizando un servicio gratuito que no le garantiza resultados, y que el resto de miembros de la comunidad no reciben ninguna compensación por el tiempo que dedican a ayudar a la comunidad.
9.6.1. No se deberán incluir súplicas en las peticiones de ayuda. En particular, con decir "por favor" una sola vez es suficiente.
9.6.2. No se deberá dar prisas ni dar plazos de tiempo para la resolución de una duda. Los miembros de la web responden en su tiempo libre, cuando lo tienen.
9.6.3. En ningún caso, la consulta en la web constituye un substitutivo del trabajo de aprendizaje personal. Si el equipo de moderación considera que un usuario utiliza el Foro como substituto de su esfuerzo personal, podrá cerrar el hilo sin posibilidad de obtener respuestas.
9.6.4. Queda prohibido, en general, intentar aprovecharse de la dedicación altruista de los miembros de la web.
Saludos
-
Hola Richard R Richard Mi duda es quie no tengo ni idea de nisiquiera como empezar el ejercicio, si supiera como resolverlos no los colgaria directamente los haria como he hecho con otros ejercicios... no pido que me los hagan pido ayuda independientemente cual sea, que es para eso para lo que supongo que esta este foro creo.
Un saludo.
Comentario
-
Ok, pero resolviéndotelo, tampoco podrás tener idea para otro que sea algo similar pero diferente, lo mejor es que leas algo de teoría de inducción electromagnética, y
la ley de Biot y Savart, sobre las leyes de Maxwell y la fuerza de Lorentz,(no todo lo usaras aquí pero si en los otros que has posteado). Busca esos temas en la bibliografía que te recomendaron o pásate por la wikipedia, una vez te interiorices te guiamos
Comentario
-
Richard R Richard realmente la web solo sirve para esto, sus únicas vistas son de universitarios buscando respuestas a lo que no saben hacer. Saludos, intenta ser más realista
Comentario
-
Es lamentable que pienses así, pero si tu con solo 3 mensajes por aquí colaborando hasta ahora con nada para que los demás puedan aprender, y ya llegaste a esa conclusión, bueno, que más decir....Escrito por Estudiaanteee Ver mensajeRichard R Richard realmente la web solo sirve para esto, sus únicas vistas son de universitarios buscando respuestas a lo que no saben hacer. Saludos, intenta ser más realista
Lo que pasa es que los estudiantes tienen que estudiar lo que se les pide que estudien, aquí podemos evacuar dudas o debatir la metodologías para abordar problemas, pero en ningún lado está estipulado que alguno aquí tenga que ser tu profesor particular gratuito, ni tu tutor, aquí todo es voluntario, un ida y vuelta ameno, que predisponga a tu interlocutor a responderte, si tu no te predispones a estudiar es al ñudo que te expliquen lo que no vas a entender , además nadie te garantiza que lo que se divulgüe sea 100% correcto aunque se intente.
El esfuerzo que se pone en responder una cuestión, al menos tiene que ser compensado con la dedicación al tipear y exponer la duda. Crees que nos sobra el tiempo? Crees que te debemos algún servicio?
Páginas con ejercicios resueltos hay en todos lados, gente que te responda por detalles puntuales que se te escapen, solo por aquí, pero si no lo valoras, será de propio. Siempre hay alguien que lo aprecia.
Ahora yendo al tema, que es lo que no entiendes del problema.
Por si te cansas fácil de buscar la teoría
inducción electromagnética
ley de Biot y Savart
leyes de Maxwell
fuerza de Lorentz
Saludos
Última edición por Richard R Richard; 01/12/2023, 01:59:50.
Comentario
Contenido relacionado
Colapsar











Comentario