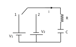
En el circuito de la figura, el interruptor esta trabajando en regimen permanente conectado al punto 1. En t=0 el interruptor pasa a la posicion 2 permaneciendo durante 15s, despues pasa de nuevo a la posicion 1 permaneciendo 25s y finalmente pasa de nuevo a 2 permaneciendo allı el resto del tiempo. Determinar el valor de la tension en el condensador a los 40 s y la forma de onda de la tension en el condensador desde t=0 hasta 50 segundos. (R = 5Ω, C = 2F V1 = 10V y V2 = 10V .
Anuncio
Colapsar
No hay ningún anuncio todavía.
Determinar el valor de la tension en el condensador
Colapsar
X
Contenido relacionado
Colapsar


