Tengo varias dudas. En este ejercicio (ya le tengo resuelto)...
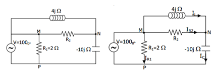
El generador de corriente alterna del circuito de la figura oscila con una frecuencia de ω=200 s^-1.La intensidad eficaz de la corriente que pasa por la bobina viene dada por {I}_{L} ={10}_{37º}. Se pide:
a) La intensidad que recorre la resistencia R1.
b) Las caídas de tensión entre los puntos M y N y entre N y P.
c) La intensidad que proporciona el generador y la que recorre el condensador. Represente el diagrama de fasores de las intensidades.
d) La potencia disipada en la resistencia R2 y el valor de la resistencia R2.
e) Las características del elemento que habría que introducir entre el generador y el punto P para conseguir un circuito resonante.

...tengo dudas de como saber la intensidad que pasa por cada resistencia, condensador, etc. Se resolver los de corriente continua con la ley de Kirchoff pero en corriente alterna es algo que me cuesta. Entre M y N, la I de R2 es igual a la de L. Pero para calcular la del condensador (entre N y P) ¿por que es Itotal= (I R1)/ + (I c) y no se suma la de la resistencia R2? La I de R1 es directa por que forma la malla y esta solo ella incluida pero el caso anterior?
Y otra duda, en los enunciados, cuando te dan la formula de v= v0 cos(wt +\alpha), el v0 ese tengo que pasarlo a v eficaz para poder hacer cálculos con vef=v0*2^(-1/2). (Lo mismo pasa con la intensidad) .Si en un problema solo te dicen "una tensión", ¿la tomo como eficaz esa tensión o intensidad?
La impedancia de los condensadores es 1/cw j que es igual a -1/cw j pero a la hora de hacer operaciones me quedo solo con el -1/cw j, ¿no?
Y luego para sacar el angulo de desfase en una forma de v= v0 cos(wt +\alpha), por ejemplo v=120 cos(314t +130º), ¿como interpreto ese 130º?
Y por ultimo, existe algún truco que yo no sepa todavía para distinguir bien cuando están en serie o paralelo? En la figura de arriba, L y R2 están en paralelo y R2 y C en serie, pero a veces no lo distingo bien...
El generador de corriente alterna del circuito de la figura oscila con una frecuencia de ω=200 s^-1.La intensidad eficaz de la corriente que pasa por la bobina viene dada por {I}_{L} ={10}_{37º}. Se pide:
a) La intensidad que recorre la resistencia R1.
b) Las caídas de tensión entre los puntos M y N y entre N y P.
c) La intensidad que proporciona el generador y la que recorre el condensador. Represente el diagrama de fasores de las intensidades.
d) La potencia disipada en la resistencia R2 y el valor de la resistencia R2.
e) Las características del elemento que habría que introducir entre el generador y el punto P para conseguir un circuito resonante.
...tengo dudas de como saber la intensidad que pasa por cada resistencia, condensador, etc. Se resolver los de corriente continua con la ley de Kirchoff pero en corriente alterna es algo que me cuesta. Entre M y N, la I de R2 es igual a la de L. Pero para calcular la del condensador (entre N y P) ¿por que es Itotal= (I R1)/ + (I c) y no se suma la de la resistencia R2? La I de R1 es directa por que forma la malla y esta solo ella incluida pero el caso anterior?
Y otra duda, en los enunciados, cuando te dan la formula de v= v0 cos(wt +\alpha), el v0 ese tengo que pasarlo a v eficaz para poder hacer cálculos con vef=v0*2^(-1/2). (Lo mismo pasa con la intensidad) .Si en un problema solo te dicen "una tensión", ¿la tomo como eficaz esa tensión o intensidad?
La impedancia de los condensadores es 1/cw j que es igual a -1/cw j pero a la hora de hacer operaciones me quedo solo con el -1/cw j, ¿no?
Y luego para sacar el angulo de desfase en una forma de v= v0 cos(wt +\alpha), por ejemplo v=120 cos(314t +130º), ¿como interpreto ese 130º?
Y por ultimo, existe algún truco que yo no sepa todavía para distinguir bien cuando están en serie o paralelo? En la figura de arriba, L y R2 están en paralelo y R2 y C en serie, pero a veces no lo distingo bien...









Comentario