Estoy teniendo problemas a la hora de distinguir si los condensadores están en serie o en paralelo. Creo que el problema esta en el propio circuito que pretende llevar a la confusión estando incompleto.
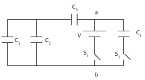
El enunciado que tengo es: En el circuito de la figura, las capacidades de los condensadores son C1 = 2 μF, C2 = 4 μF, C3 = 6 μF y C4 = 8 μF, proporcionando el generador una diferencia de potencial V = 20 voltios.
**Si el interruptor S1 está cerrado y el S2 abierto, calcule
a)la capacidad equivalente entre los puntos a y b de la figura
b)la carga de cada condensador
c)la energía almacenada.
**Si ahora se abre S1 y se cierra S2 calcule
d)la carga del condensador C4
e)la diferencia de potencial entre las placas de C1.

Para S1 cerrado y S2 abierto:
C1 y C2 están en paralelo por que por ellos pasa distinta intensidad, pero tienen mismo voltaje.
Después C12 y C3 esta en serie por que colocando C12 donde el lugar de C2, por ellos pasa la misma intensidad.
Siguiendo los pasos de otro hilo (http://forum.lawebdefisica.com/threa...rie-o-paralelo)
donde
* Si dices que están en serie es porque has visto que por ambos elementos pasa la misma corriente, (es igual cual sea su voltaje)
* Si dices que están en paralelo es porque has visto que ambos elementos están sometidos al mismo voltaje, (es igual cual sea la corriente)
* Si no están sometidos al mismo voltaje y por ellos tampoco pasa la misma corriente, no están ni en serie ni en paralelo.
Hasta ahí todo correcto. Pero para S1 abierto y S2 cerrado:
Se crea un nuevo circuito muy simple de todo lo anterior en el que al lado izquierdo estaría C123 y la lado derecho estaría C4 uniendo las ramas, por lo que por ellos pasaría la misma intensidad, por lo que tendría que ser en serie, ¿o tendría que ser paralelo?
He resuelto el problema y tengo problemas al resolver el d), por eso de si esta en serie o en paralelo
Tengo ya los apartados anteriores
a)
C1 y C2 paralelo
C12=C1+C2 =2+4 =6
C12 y C3 serie
C123=3
b)
Calculando la carga equivalente y dependiendo si es serie o paralelo las cargas que obtengo son de
Q123= C123 * V=
Q1= C1=
Q2= C2=
c)
U=
También tengo otro circuito que es muy similar a este, que igual abro un nuevo hilo solo para diferenciar serie-paralelo
El enunciado que tengo es: En el circuito de la figura, las capacidades de los condensadores son C1 = 2 μF, C2 = 4 μF, C3 = 6 μF y C4 = 8 μF, proporcionando el generador una diferencia de potencial V = 20 voltios.
**Si el interruptor S1 está cerrado y el S2 abierto, calcule
a)la capacidad equivalente entre los puntos a y b de la figura
b)la carga de cada condensador
c)la energía almacenada.
**Si ahora se abre S1 y se cierra S2 calcule
d)la carga del condensador C4
e)la diferencia de potencial entre las placas de C1.
Para S1 cerrado y S2 abierto:
C1 y C2 están en paralelo por que por ellos pasa distinta intensidad, pero tienen mismo voltaje.
Después C12 y C3 esta en serie por que colocando C12 donde el lugar de C2, por ellos pasa la misma intensidad.
Siguiendo los pasos de otro hilo (http://forum.lawebdefisica.com/threa...rie-o-paralelo)
donde
* Si dices que están en serie es porque has visto que por ambos elementos pasa la misma corriente, (es igual cual sea su voltaje)
* Si dices que están en paralelo es porque has visto que ambos elementos están sometidos al mismo voltaje, (es igual cual sea la corriente)
* Si no están sometidos al mismo voltaje y por ellos tampoco pasa la misma corriente, no están ni en serie ni en paralelo.
Hasta ahí todo correcto. Pero para S1 abierto y S2 cerrado:
Se crea un nuevo circuito muy simple de todo lo anterior en el que al lado izquierdo estaría C123 y la lado derecho estaría C4 uniendo las ramas, por lo que por ellos pasaría la misma intensidad, por lo que tendría que ser en serie, ¿o tendría que ser paralelo?
He resuelto el problema y tengo problemas al resolver el d), por eso de si esta en serie o en paralelo
Tengo ya los apartados anteriores
a)
C1 y C2 paralelo
C12=C1+C2 =2+4 =6
C12 y C3 serie
C123=3
b)
Calculando la carga equivalente y dependiendo si es serie o paralelo las cargas que obtengo son de
Q123= C123 * V=
Q1= C1=
Q2= C2=
c)
U=
También tengo otro circuito que es muy similar a este, que igual abro un nuevo hilo solo para diferenciar serie-paralelo









Comentario