Buenas, hoy tuve una prueba y quisiera saber si podrian sacarme de duda al respecto
El circuito magnético era el de la siguiente figura

Espero se distinga
No recuerdo muy bien el enunciado pero me pedían el flujo en cada columna y la densidad magnética en cada entrehierro
Los datos que me daban eran que en la bobina 1 que seria de izquierda a derecha
bobina 1 = 200 A.t
bobina 2 = 40 A.t
bobina 3 = 240 A.t
También daban el espesor de los entrehierros, el Área de sección transversal que era el mismo para todas las columnas, daban la permeabilidad relativa para el núcleo, y claro la permeabilidad del vacío es 1 y en este caso la del núcleo era 1 también
ahora yo redibuje el transformador como si fuera un circuito eléctrico y me quedo de la siguiente forma

aca
R_entrehierro son las reluctancias del entrehierro ( que es posible calcularlas)
R son las reactancias de las columnas las cuales describe la trayectoria con lineas de colores como en el dibujo anterior ( no es posible calcularla ya que no hay parámetros de longitudes para las columnas)
Fmm son las fuerza magnetomotriz
Ahora el problema para encontrar los flujos se tiene que hacer por mallas al igual que las leyes de kirchhoff pero lo complejo fue lo siguiente:
las dimensiones de las columnas no estaban pero si del entrehierro entonces el profesor dijo que como el flujo era el mismo entonces se podía dejar el circuito solo con las reluctancias de los entrehierros quedando así:

ahora mi pregunta porque es posible eso? yo pensé que eso no era posible!!. Se que los circuitos magnéticos son parecidos a los eléctricos pero yo quise intentar resolver un circuito eléctrico de esa manera obviando la segunda resistencia y las corrientes salieron distintas. Dado que el flujo se comporta como la corriente en el circuito magnético no puedo entender porque acá se puede hacer eso.
espero puedan resolver mi duda, Gracias
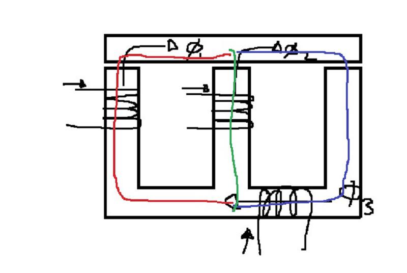
El circuito magnético era el de la siguiente figura
Espero se distinga
No recuerdo muy bien el enunciado pero me pedían el flujo en cada columna y la densidad magnética en cada entrehierro
Los datos que me daban eran que en la bobina 1 que seria de izquierda a derecha
bobina 1 = 200 A.t
bobina 2 = 40 A.t
bobina 3 = 240 A.t
También daban el espesor de los entrehierros, el Área de sección transversal que era el mismo para todas las columnas, daban la permeabilidad relativa para el núcleo, y claro la permeabilidad del vacío es 1 y en este caso la del núcleo era 1 también
ahora yo redibuje el transformador como si fuera un circuito eléctrico y me quedo de la siguiente forma
aca
R_entrehierro son las reluctancias del entrehierro ( que es posible calcularlas)
R son las reactancias de las columnas las cuales describe la trayectoria con lineas de colores como en el dibujo anterior ( no es posible calcularla ya que no hay parámetros de longitudes para las columnas)
Fmm son las fuerza magnetomotriz
Ahora el problema para encontrar los flujos se tiene que hacer por mallas al igual que las leyes de kirchhoff pero lo complejo fue lo siguiente:
las dimensiones de las columnas no estaban pero si del entrehierro entonces el profesor dijo que como el flujo era el mismo entonces se podía dejar el circuito solo con las reluctancias de los entrehierros quedando así:
ahora mi pregunta porque es posible eso? yo pensé que eso no era posible!!. Se que los circuitos magnéticos son parecidos a los eléctricos pero yo quise intentar resolver un circuito eléctrico de esa manera obviando la segunda resistencia y las corrientes salieron distintas. Dado que el flujo se comporta como la corriente en el circuito magnético no puedo entender porque acá se puede hacer eso.
espero puedan resolver mi duda, Gracias








Comentario