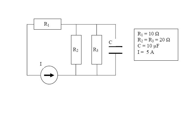
Buenas, tengo un circuito aquí que no logro resolver, a ver qué tal se os da a vosotros. Sólo he podido calcular el voltaje de que es inmediato. Adjunto la imagen del circuito y defino:
I=Es una fuente de corriente constante.
Q=Capacidad condensador
Intensidad que circula por
Corriente que circula por el condensador
Aplicando kirchhoff me faltan datos,. Llego a que:
, puesto que en las dos resistencias y en el condensador el voltaje ha de ser igual:
y a que:
¿Sugerencias?
I=Es una fuente de corriente constante.
Q=Capacidad condensador
Intensidad que circula por
Corriente que circula por el condensador
Aplicando kirchhoff me faltan datos,. Llego a que:
, puesto que en las dos resistencias y en el condensador el voltaje ha de ser igual:
y a que:
¿Sugerencias?







Comentario