otra vez yo con algo parecido soy medio corto jeje...
Tengo que determinar las lecturas del voltimetro y del amperimetro (ver imagen).
La cosa es que yo lo hago pero me da muy distinto a lo que dice la solucion.
Lo que yo hago es sacar la resistencia equivalente de las resistencias en paralelo de 3 y 6 ohms me da 2 ohms y la equivalente de la de 2, 3 y6 omhs donde esta A, esta me da 1 ohm.
Haciendo unos calculos saco que I=148/7=22.57
en donde esta A hago:
V=IR, me da V=22.57*1=22.57
ahora saco la corriente que pasa por la resistencia que esta donde A
I=V/R-> I=22.57/3 -> I=7.52, es esa la lectura del amperimetro?.Segun la solucion dice 2A. osea que le estoy errando feo, alguien que me ayude??.
y para el voltimetro como es?
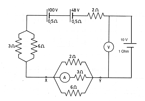
					Tengo que determinar las lecturas del voltimetro y del amperimetro (ver imagen).
La cosa es que yo lo hago pero me da muy distinto a lo que dice la solucion.
Lo que yo hago es sacar la resistencia equivalente de las resistencias en paralelo de 3 y 6 ohms me da 2 ohms y la equivalente de la de 2, 3 y6 omhs donde esta A, esta me da 1 ohm.
Haciendo unos calculos saco que I=148/7=22.57
en donde esta A hago:
V=IR, me da V=22.57*1=22.57
ahora saco la corriente que pasa por la resistencia que esta donde A
I=V/R-> I=22.57/3 -> I=7.52, es esa la lectura del amperimetro?.Segun la solucion dice 2A. osea que le estoy errando feo, alguien que me ayude??.
y para el voltimetro como es?





Comentario