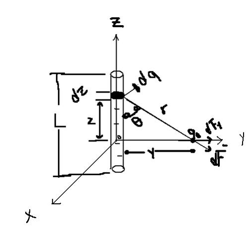
Bueno quisiera saber si alguien podria guiarme a resolver la F en una linea con carga.. Ya que lo eh hecho por el metodo normal en coordenadas cartesianas pero eh visto que algunos autores lo hacen de diferente manera creo que la cambian a cilindrica, se hacerlo para ejemplos como de campo que solo tienen un carga y ya. pero quisiera saber si en F es posible .. aqui les pongo el dibujo.
Intente hacerlo pero no me da el resultado.
Intente hacerlo pero no me da el resultado.




Comentario