Hola, estoy haciendo un problema en el que me está pidiendo la masa miníma que tiene que tener la tapa cilindríca para que los dos fluidos esten separados, estoy calculando las fuerzas y haciendo suma de estas igual a cero, pero me sale un valor distinto a la solución, la solución es 55.28 kg y a mi me esta saliendo 64.63 kg, no encuentro que estoy haciendo mal, a ver si me pueden decir donde estoy fallando, porque he probado a hacerlo sin incluir la profundidad de la tapa para las fuerzas que actuan por debajo de esta, me explico: las fuerza del liquido 2 por debajo de la tapa M, esta ejerciendo una fuerza igual al peso del volumen desalojado por encima que sería:
(desalojado por el liquido 2) Ahí estoy incluyendo todo el volumen que hay por encima, incluyendo toda la tapa también que supongo que será lo lógico ya que la fuerza esta aplicada por la parte de debajo.
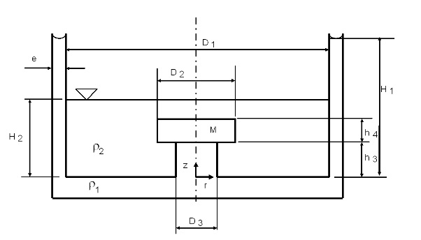
La fuerza 1 es la que actúa por encima de la tapa que es presión por superficie= , para la siguiente fuerza que es la fuerza que ejerce el liquido de densidad(1) sobre la tapa por la parte inferior, de la misma manera sera igual al peso de todo el volumen que hay por encima ahora con la altura del liquido uno (H1) siendo
Si ahora hago la suma de fuerzas me queda que el peso es igual a 633.45 N = 64.63 Kg, si como he dicho antes no utilizo la profundidad de la tapa para las fuerzas inferiores (que no encuentro lógico que eso sea así) pero me queda un valor mas próximo aunque sin ser el correcto de 53.72 Kg. y es que no veo el error, si me podeis echar una mano. los datos son D1=1m D2=0.4m D3=0.3m, H1=1.2m H2=0.5m h3=0.1m, h4=0.2m, densidad(1)=1000 kg/m^3 , densidad(2)=700kg/m^3
Adjunto una foto del dibujo.
No considero la presión atmosférica porque se compensa.
(desalojado por el liquido 2) Ahí estoy incluyendo todo el volumen que hay por encima, incluyendo toda la tapa también que supongo que será lo lógico ya que la fuerza esta aplicada por la parte de debajo.
La fuerza 1 es la que actúa por encima de la tapa que es presión por superficie= , para la siguiente fuerza que es la fuerza que ejerce el liquido de densidad(1) sobre la tapa por la parte inferior, de la misma manera sera igual al peso de todo el volumen que hay por encima ahora con la altura del liquido uno (H1) siendo
Si ahora hago la suma de fuerzas me queda que el peso es igual a 633.45 N = 64.63 Kg, si como he dicho antes no utilizo la profundidad de la tapa para las fuerzas inferiores (que no encuentro lógico que eso sea así) pero me queda un valor mas próximo aunque sin ser el correcto de 53.72 Kg. y es que no veo el error, si me podeis echar una mano. los datos son D1=1m D2=0.4m D3=0.3m, H1=1.2m H2=0.5m h3=0.1m, h4=0.2m, densidad(1)=1000 kg/m^3 , densidad(2)=700kg/m^3
Adjunto una foto del dibujo.
No considero la presión atmosférica porque se compensa.








Comentario