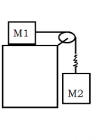
M1= 40 kg y m2 60 kg. Calcular el alargamiento del resorte, suponiendo que el coeficiente de roce e 0,6 y la constante de elasticidad es 3920 N/m
aqui esta la imagen
Aquí no se para que necesito el coeficiente. díganme los pasos a seguir, es decir por ejemplo: primero se saca la tensión por tal motivo, luego la fuerza de roce la necesitas para esto, etc. Yo creo a mi parecer que la formula que tengo para sacar el alargamiento (L= mxg / k) no es la correcta.
Gracias por responder
Aquí no se para que necesito el coeficiente. díganme los pasos a seguir, es decir por ejemplo: primero se saca la tensión por tal motivo, luego la fuerza de roce la necesitas para esto, etc. Yo creo a mi parecer que la formula que tengo para sacar el alargamiento (L= mxg / k) no es la correcta.
Gracias por responder







Comentario