Hola!!!! Soy yo otra vez, espero no ser una molestia, solo pasaba porque ahora estoy entrando en otros temas de electricidad, solo que esta vez son diez problemas, espero y esta vez me hayan salido algunos.
1. 1. Estando fría una lámpara se mide la resistencia de su filamento y se obtiene un valor de 24.24 ohms. Se conecta al voltaje de 120 y por ella pasa una corriente de 0.5 A. Alcanzado una temperatura de 1800°C. ¿De qué material esta hecho el filamento?
R= Fe
2. 2. Cuando la fuente de energía de una computadora esta conectada al voltaje casero (120 V) y encendida usualmente por ella pasan unos 2.5 A. Si el costo del Kw-h es de 70 centavos. ¿Cuánto habrá que pagar en un mes por tenerla encendida 4 horas y media diariamente?
R= $28.35
3. 3.Si se duplica el radio de un conductor de fierro ¿Cuál debería ser su temperatura final para que su resistencia continuara siendo la misma que antes de duplicar su radio?
R= 580°C
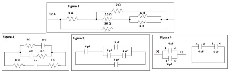
4. 4.En el arreglo de la figura ¿Qué corriente circula por el resistor de 6 ohms? (véase en la figura 1)
R= 4 A
5. 5.En el arreglo de la figura ¿Qué corriente circula por el resistor de 6 ohms? (véase en la figura 2)
R= 1 A
6. 6. Para el arreglo mostrado se aplica una diferencia de potencial eléctrico de 10 V entre sus extremos. ¿Cuál es la diferencia de potencial existente entre las placas del capacitor de 2 microfaradios? (véase en la figura 3)
R= 2.4 V
7. 7.Para el arreglo mostrado, se aplica una diferencia de potencial eléctrico de 12 V entre sus extremos. Como se indica. Luego se separan los capacitores y se conectan como se muestra a la derecha ¿Qué carga habrá entonces en la placa 1? (véase en la figura 4)
R= -24 microCoulombs
8. 8.Un capacitor esférico se forma mediante dos esferas concéntricas, una interior (esfera A), de radio Ra= 12 cm, y otra exterior (esfera B), de radio Rb= 15 cm. Determine el valor de la capacitancia del arreglo.
R= 16.7 pF
9. 9.Se quiere construir un capacitor de 6.3 nF empleando laminillas metálicas de 600 cm^2 de área y separándolas con mica (Er=5.93) de 0.025 mm de espesor. ¿Cuántas laminillas se requieren?
R= 21
10. 10.Para que salte una chispa en el aire se requiere de una intensidad de campo de 3x10^4 V/cm. Si se considera que una gota de agua de una nube tiene un radio de 0.1 mm. ¿Cuántos electrones hay en cada una de ellas, si se produce un rayo a partir de una nube que esta a 3 km de altura? (considere a piso como nivel cero)
R= aprox. 9.42x10^14
1. 1. Estando fría una lámpara se mide la resistencia de su filamento y se obtiene un valor de 24.24 ohms. Se conecta al voltaje de 120 y por ella pasa una corriente de 0.5 A. Alcanzado una temperatura de 1800°C. ¿De qué material esta hecho el filamento?
R= Fe
2. 2. Cuando la fuente de energía de una computadora esta conectada al voltaje casero (120 V) y encendida usualmente por ella pasan unos 2.5 A. Si el costo del Kw-h es de 70 centavos. ¿Cuánto habrá que pagar en un mes por tenerla encendida 4 horas y media diariamente?
R= $28.35
3. 3.Si se duplica el radio de un conductor de fierro ¿Cuál debería ser su temperatura final para que su resistencia continuara siendo la misma que antes de duplicar su radio?
R= 580°C
4. 4.En el arreglo de la figura ¿Qué corriente circula por el resistor de 6 ohms? (véase en la figura 1)
R= 4 A
5. 5.En el arreglo de la figura ¿Qué corriente circula por el resistor de 6 ohms? (véase en la figura 2)
R= 1 A
6. 6. Para el arreglo mostrado se aplica una diferencia de potencial eléctrico de 10 V entre sus extremos. ¿Cuál es la diferencia de potencial existente entre las placas del capacitor de 2 microfaradios? (véase en la figura 3)
R= 2.4 V
7. 7.Para el arreglo mostrado, se aplica una diferencia de potencial eléctrico de 12 V entre sus extremos. Como se indica. Luego se separan los capacitores y se conectan como se muestra a la derecha ¿Qué carga habrá entonces en la placa 1? (véase en la figura 4)
R= -24 microCoulombs
8. 8.Un capacitor esférico se forma mediante dos esferas concéntricas, una interior (esfera A), de radio Ra= 12 cm, y otra exterior (esfera B), de radio Rb= 15 cm. Determine el valor de la capacitancia del arreglo.
R= 16.7 pF
9. 9.Se quiere construir un capacitor de 6.3 nF empleando laminillas metálicas de 600 cm^2 de área y separándolas con mica (Er=5.93) de 0.025 mm de espesor. ¿Cuántas laminillas se requieren?
R= 21
10. 10.Para que salte una chispa en el aire se requiere de una intensidad de campo de 3x10^4 V/cm. Si se considera que una gota de agua de una nube tiene un radio de 0.1 mm. ¿Cuántos electrones hay en cada una de ellas, si se produce un rayo a partir de una nube que esta a 3 km de altura? (considere a piso como nivel cero)
R= aprox. 9.42x10^14





Comentario