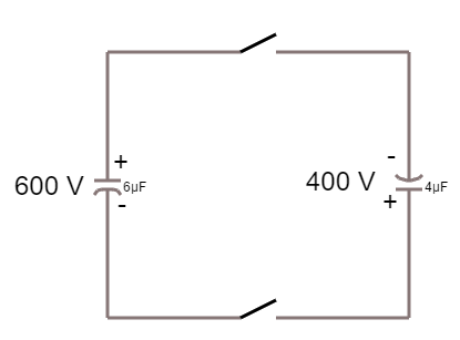
Tengo una duda con la union de condensadores: imaginaos que tenemos dos condensadores de placas paralelas, inicialmente cargados y conocemos C, Q y V de cada uno:si los conectamos con hilos conductores uniendo placas de igual signo, la Q total se conserva y ambos quedan al mismo potencial; pero si los conecto uniendo placas de diferente signo, sé que la Q total ni la V van a ser la misma, intuyo que serian menores porque circularia carga de uno a otro pero no sé como plantearlo a partir de la ecuacion C=Q/V
¿Alguien podria echarme una mano?
					¿Alguien podria echarme una mano?






















Comentario