Anuncio
				
					Colapsar
				
			
		
	
		
			
				No hay ningún anuncio todavía.
				
			
				
	
Ayuda frecuencia de resonancia circuito RLC
				
					Colapsar
				
			
		
	X
- 
	
	
		
		
		
		
		
		
		
	
	
Re: Ayuda frecuencia de resonancia circuito RLC
Pues sale un polinomio de orden 4 en , pero se puede resolver pues es un polinomio de segundo orden en . Vas a tener que hacer algo de álgebra, pero nada del otro mundo, sólo un poco engorrosa.Escrito por FireRaptor Ver mensaje...
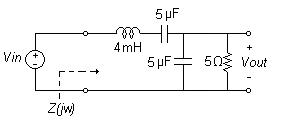
He intentado con la resistencia equivalente, e igualando la reactancia a 0, pero me sale una ecuación horrible que no he sido capaz de despejar. Alguien me da ideas??
Partiendo de la impedancia del circuito
Aisla la parte imaginaria e iguala a cero. Te dejo el álgebra intermedia, yo llegué a esta ecuación:
que puedes resolver en términos de . A mi me resulta un valor de para el cual la impedancia es puramente resistiva y vale .
Saludos,
AlDon't wrestle with a pig in the mud. You'll both get dirty, but the pig will enjoy it. - Parafraseando a George Bernard Shaw
- 1 gracias
 
Comentario
 - 
	
	
		
		
		
		
		
		
		
	
	
Re: Ayuda frecuencia de resonancia circuito RLC
Revisa tus operaciones, esa expresión que escribiste es adimensional y debería tener unidades de resistencia eléctrica...Don't wrestle with a pig in the mud. You'll both get dirty, but the pig will enjoy it. - Parafraseando a George Bernard Shaw
- 1 gracias
 
Comentario
 - 
	
	
		
		
		
		
		
		
		
	
	
Re: Ayuda frecuencia de resonancia circuito RLC
Disculpa, me equivoqué
 sólo miré el numerador y no verifiqué el denominador, que tiene unidades de Siemens... ¡que bobo! 
Para aislar la parte imaginaria, multiplica numerador y denominador por el conjugado del denominador y separa el resultado en dos fracciones, una real y una imaginaria:
Saludos,
AlDon't wrestle with a pig in the mud. You'll both get dirty, but the pig will enjoy it. - Parafraseando a George Bernard Shaw
- 1 gracias
 
Comentario
 - 
	
	
		
		
		
		
		
		
		
	
	
Re: Ayuda frecuencia de resonancia circuito RLC
La solución de (1) es
En (2) debería resultar evidente que el resultado de la raíz es mayor en valor absoluto que el primer término de la suma, por lo cual deberá tomarse el signo positivo de la raíz a fin de obtener un valor válido de
Esta expresión puede simplificarse un poco desarrollando el cuadrado dentro de la raíz y cancelando una de numerador y denominador
De modo que finalmente quedaría algo como esto
A lo mejor se puede simplificar un poco mas, pero hasta allí lo dejo...
Saludos,
AlDon't wrestle with a pig in the mud. You'll both get dirty, but the pig will enjoy it. - Parafraseando a George Bernard Shaw
- 1 gracias
 
Comentario
 
Contenido relacionado
				
					Colapsar
				
			
		
	






Comentario