Si se desea entregar 1/2 mW de potencia a la carga de 15 kohm , calcular
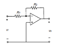
Bueno es el caso de un amplificador inversor entonces se que la ecuacion de transferencia es:
donde ;
Y se que la potencia la puedo calcular como
entonces aca tengo que tomar a P como el valor positivo (+) que me da el enunciado sino no podria resolver esa raiz cuadrada...
Entonces si reemplazo llego a que :
Como ven me da un signo negativo en una resistencia.... que estoy haciendo mal?
Gracias
Bueno es el caso de un amplificador inversor entonces se que la ecuacion de transferencia es:
donde ;
Y se que la potencia la puedo calcular como
entonces aca tengo que tomar a P como el valor positivo (+) que me da el enunciado sino no podria resolver esa raiz cuadrada...
Entonces si reemplazo llego a que :
Como ven me da un signo negativo en una resistencia.... que estoy haciendo mal?
Gracias





.








Comentario