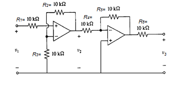
Encuentre la funcion de transferencia de tension
Se que a la izquierda tengo un acmplificador no inversor pero ademas hay una resistencia de 10 kohm que va del menos del amplificador a tierra que nose si me afecta en algo...
para un no inverson se que la funcion de transferencia es :
Y luego tengo un inversor pero ademas una resisntecia de 10 a la salida del ultimo ampliicador....
Igualmente no veo como relacionar esto con lo que me pide el enunciado alguna ayuda?
Gracias
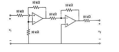
Se que a la izquierda tengo un acmplificador no inversor pero ademas hay una resistencia de 10 kohm que va del menos del amplificador a tierra que nose si me afecta en algo...
para un no inverson se que la funcion de transferencia es :
Y luego tengo un inversor pero ademas una resisntecia de 10 a la salida del ultimo ampliicador....
Igualmente no veo como relacionar esto con lo que me pide el enunciado alguna ayuda?
Gracias





.
.


Comentario