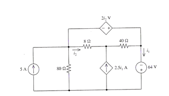
Encuentre i_1 e i_2 usando analisis de mallas
Alguna ayuda para resolverlo? se me complica saber como hacer con las fuente dependientes
Defini 4 corrientes de malla I_1 , I_2 I_3 y I_4 todas en sentido horario y correspondiendo a las mallas de izquierda a derecha y la cuarta en la malla de arriba :
Ademas planteo una malla entre las resistencias de 80 -8 -40 y tengo que :
Alguna ayuda para resolverlo? se me complica saber como hacer con las fuente dependientes
Defini 4 corrientes de malla I_1 , I_2 I_3 y I_4 todas en sentido horario y correspondiendo a las mallas de izquierda a derecha y la cuarta en la malla de arriba :
Ademas planteo una malla entre las resistencias de 80 -8 -40 y tengo que :








Comentario