y de este, no se como tratar la fuente de intensidad en una rama. Ni me acerco al resultado. Yo he quitado la resistencia de 100 ohms tratandola como si fuese de carga y aplicando thevenin pero nada
Anuncio
Colapsar
No hay ningún anuncio todavía.
me llevo mal con thevenin
Colapsar
X
-
-
Re: me llevo mal con thevenin
Cuando calculas la resistencia equivalente, la fuente de tensión se cortocircuitea y la fuente de corriente se abre el circuito, es decir, se saca. Despues para calcular la tensión de thevenin usa el principio de superposición, es decir, saca la fuente de corriente y cortocircuitá donde estaba y calcula la tensión en la carga dada por la fuente de tensión. Despues sacá la fuente de tensión y cortocircuitá donde estaba y calcula la tensión en la carga dada por la fuente de corriente. Luego la tensión será la suma de las 2 calculadas anteriormentePor más bella o elegante que sea la teoría, si los resultados no la acompañan, está mal.
- 1 gracias
-
Re: me llevo mal con thevenin
Si te sirve lo que yo he hecho ahí esta.
Simplemente he eliminado las fuentes calculado la resistencia thevenin y después calculado la diferencia de potencial cuando no esta R4.
Aunque no es necesario hacer un thevenin pero bueno.
img014.pdf
Comentario
-
“Ponemos en limpio”
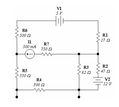
la resolución de este ejercicio, ya que ha sido consultado muchas veces. El enunciado pide hallar la tensión en la Resistencia R4 del circuito de la figura:
Utilizaremos el Teorema de Thevenin, hallando la tensión de vacío y la resistencia Thevenin equivalente, del circuito de la izquierda con el interruptor abierto:
Para calcular la resistencia Thevenin cortocircuitamos las 2 fuentes de tensión y abrimos la fuente de corriente. La resistencia que se ve desde “ab” es:
Mirando ahora el circuito de la derecha con el interruptor cerrado:
Saludos.
- 2 gracias
Comentario
Contenido relacionado
Colapsar









Comentario