Hola, tengo el siguiente ejercicio:
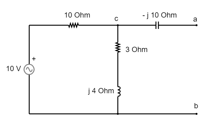
Determinar el equivalente Thevenin y Norton en los terminales a y b del circuito
He simplificado las resistencias, pasé de impedancias a admitancias. Pero luego me bloqueo, ¿equivalente thevenin a la izquierda o a la derecha del circuito?¿cómo tendría que proceder?
Gracias








. Si estamos buscando la impedancia de Thevenin y te digo:
Comentario