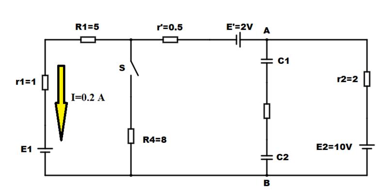
Tengo el siguiente ejercicio En el circuito estacionario de la figura los condensadores son planos y tienen idénticas dimensiones; el condensador C1 tiene un dieléctrico de constante dieléctrica relativa εr=4 que ocupa todo el espacio
entre armaduras. Con el interruptor S abierto, la intensidad de la corriente que pasa por el amperímetro vale 0,2 A, en el sentido indicado en la figura. Se pide:
a)El valor de la fuerza electromotriz ε1 y la diferencia de potencial entre los puntos A y B.
b)La carga que tienen las armaduras del condensador C1, razonando su signo, y la energía almacenada
en el condensador C2. Se cierra el interruptor S y el circuito alcanza de nuevo el estado estacionario.
c)¿Cuánto vale ahora la intensidad que marca el amperímetro?
d)Calcule la potencia consumida en los elementos receptores, la potencia cedida por los generadores al circuito y la potencia disipada en las resistencias externas.
Datos: ε2=10 V, ε´=2 V, r1=1 Ω; r2=2 Ω; r´=0,5 Ω;C2=3µF.

Lo he resuelto yo pero no estoy muy seguro de haberlo hecho bien, y el apartado b es el que me da problemas a la hora de solucionarlo. ¿Alguien me ayuda a confirmarlo?
a)
y de ahi tengo
=> 13,7 = 2 + 0,2 (0,5+5+1)
=10,4V
b)
No se como calcularlo por que dispongo de pero no dispongo de su energía ni su capacidad.
c)
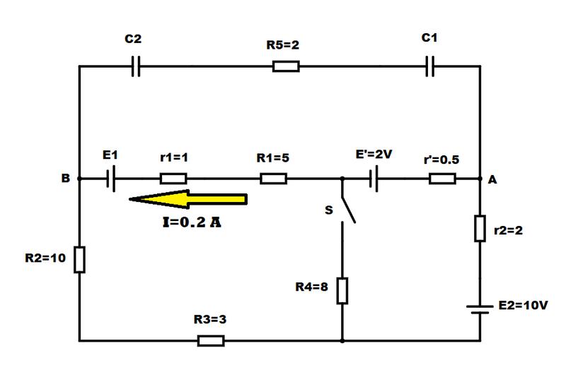
Aplicando mallas para calcular las intensidades gira en sentido anti-horario e gira en sentido horario (por lo que en la rama central pasa + ) y con todos los datos necesarios obtenidos en a) tengo
6 + 8 =13,7
8 + 2,5 = 10
Y despejando obtengo = 0,933 A e = 1,01 A
Por lo cual, la intensidad que pasa por el amperimetro sera =0,933 A
d)
Para este, con aplicar la formula para generadores y para receptores y para el resto de resitencias
entre armaduras. Con el interruptor S abierto, la intensidad de la corriente que pasa por el amperímetro vale 0,2 A, en el sentido indicado en la figura. Se pide:
a)El valor de la fuerza electromotriz ε1 y la diferencia de potencial entre los puntos A y B.
b)La carga que tienen las armaduras del condensador C1, razonando su signo, y la energía almacenada
en el condensador C2. Se cierra el interruptor S y el circuito alcanza de nuevo el estado estacionario.
c)¿Cuánto vale ahora la intensidad que marca el amperímetro?
d)Calcule la potencia consumida en los elementos receptores, la potencia cedida por los generadores al circuito y la potencia disipada en las resistencias externas.
Datos: ε2=10 V, ε´=2 V, r1=1 Ω; r2=2 Ω; r´=0,5 Ω;C2=3µF.
Lo he resuelto yo pero no estoy muy seguro de haberlo hecho bien, y el apartado b es el que me da problemas a la hora de solucionarlo. ¿Alguien me ayuda a confirmarlo?
a)
y de ahi tengo
=> 13,7 = 2 + 0,2 (0,5+5+1)
=10,4V
b)
No se como calcularlo por que dispongo de pero no dispongo de su energía ni su capacidad.
c)
Aplicando mallas para calcular las intensidades gira en sentido anti-horario e gira en sentido horario (por lo que en la rama central pasa + ) y con todos los datos necesarios obtenidos en a) tengo
6 + 8 =13,7
8 + 2,5 = 10
Y despejando obtengo = 0,933 A e = 1,01 A
Por lo cual, la intensidad que pasa por el amperimetro sera =0,933 A
d)
Para este, con aplicar la formula para generadores y para receptores y para el resto de resitencias








Comentario