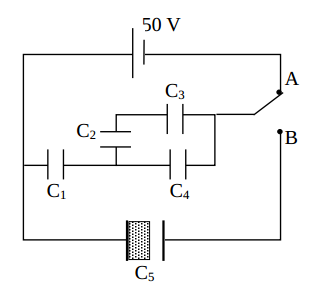
Tengo el siguiente circuito, estando siempre con el interruptor en la posición A.

C2 y C3 están en serie, por lo que Q1=Q2=Q23
C23 y C4 están en paralelo, por lo que
C1 y C234 están en serie, por lo que Q1=Q234=Q1234
También puede deducirse que la carga Q234=Q23+Q4 (al estar en paralelo lo anterior)
Solo esa afirmación es cierta, y no hay ninguna otra mas con respecto a como esta dibujado el circuito, ¿no?
Pero para el voltaje que tiene cada condensador, sin necesidad de usar la formula , ¿existe alguna manera de la que pueda hacerse y obtener los voltajes de los 4 condensadores?
C2 y C3 están en serie, por lo que Q1=Q2=Q23
C23 y C4 están en paralelo, por lo que
C1 y C234 están en serie, por lo que Q1=Q234=Q1234
También puede deducirse que la carga Q234=Q23+Q4 (al estar en paralelo lo anterior)
Solo esa afirmación es cierta, y no hay ninguna otra mas con respecto a como esta dibujado el circuito, ¿no?
Pero para el voltaje que tiene cada condensador, sin necesidad de usar la formula , ¿existe alguna manera de la que pueda hacerse y obtener los voltajes de los 4 condensadores?









Comentario