Hola,
Necesito ayuda con el siguiente problema que soy incapaz de solucionarlo. Haber si me podéis echar una mano
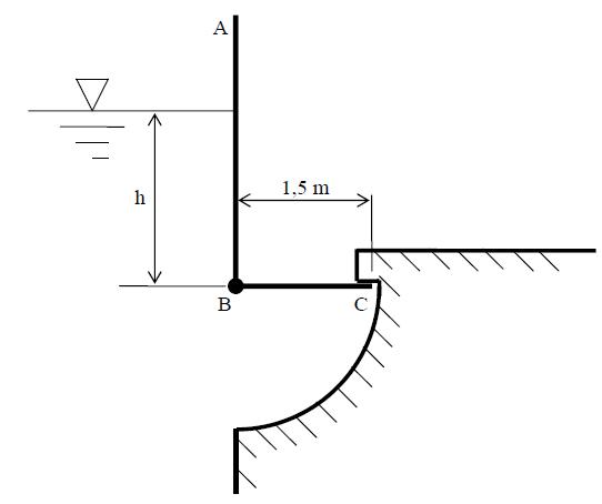
En la Figura se presenta el diseño de un “nivelador” de un depósito de agua. Este dispositivo abre una
compuerta cuando el nivel de agua h llega a una cierta altura.
Se trata de una compuerta en forma de “L” (ver Figura 1: ABC) de anchura b = 3 m (perpendicular al
papel) y articulada en B, tal como se muestra en la Figura 1.
Despreciando el peso de la compuerta, y tomando las hipótesis apropiadas, se pide:
1. Si el nivel de agua h es de 1.5 m, ¿qué reacción (fuerza) se producirá en el punto C?
2. ¿Qué nivel de agua h se debe alcanzar para que la puerta se abra automáticamente?
Las respuestas son 22kN y 2.6m
Gracias
Necesito ayuda con el siguiente problema que soy incapaz de solucionarlo. Haber si me podéis echar una mano
En la Figura se presenta el diseño de un “nivelador” de un depósito de agua. Este dispositivo abre una
compuerta cuando el nivel de agua h llega a una cierta altura.
Se trata de una compuerta en forma de “L” (ver Figura 1: ABC) de anchura b = 3 m (perpendicular al
papel) y articulada en B, tal como se muestra en la Figura 1.
Despreciando el peso de la compuerta, y tomando las hipótesis apropiadas, se pide:
1. Si el nivel de agua h es de 1.5 m, ¿qué reacción (fuerza) se producirá en el punto C?
2. ¿Qué nivel de agua h se debe alcanzar para que la puerta se abra automáticamente?
Las respuestas son 22kN y 2.6m
Gracias









Comentario