Anuncio
Colapsar
No hay ningún anuncio todavía.
transformador ideal (circuito)
Colapsar
X
-
-
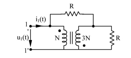
Procedemos a resolver este ejercicio que fue propuesto hace varios años, (pero en el que no había respuestas), ya que ha sido consultado muchas veces, con la intención de que sea útil a futuros visitantes que estudien estos temas. Realizaremos primero un planteamiento genérico y posteriormente particularizaremos a los valores del enunciado de la relación de transformación y de las resistencias:
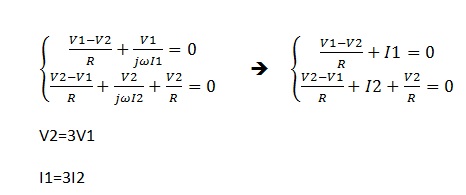
Suponiendo Transformador Ideal, aplicamos el método de los nudos en el nudo A:
Aplicamos el método de los nudos en el nudo B:
De la malla de la derecha se deduce:
Finalmente observar que:
Particularizamos para este ejercicio concreto:
Y obtenemos estas 3 ecuaciones:
De (7) se deduce inmediatamente:
Sustituyendo en (6):
Sustituyendo en (5):
Finalmente:
Saludos.
PD: otro ejemplo interesante de aplicación del método de los nudos a un transformador ideal se puede consultar en Resolución de circuito con transformador ideal
Contenido relacionado
Colapsar








Comentario