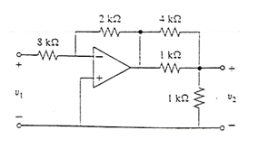
Usando los principios de circuito abierto y corto virtual, encuentre la relacion de transferencia
Alguna ayuda?
Gracias
La resistencia de 4 y 1 estan en paralelo asi que seria una resistencia de R = 0.8 Ohm y luego puedo reducir algo mas?
Por el principio de corto virtual tengo que la entrada positivo y negativo estan al mismo voltaje que es cero
Si llamo a la entrada positiva del amplificador y llamo a la entrada negativa tengo que
Luego como la corriente que circula dentro del amplificador es cero entonces tengo que la corriente que circulara por la resistencia de 8 y 2 kohm sera la misma asi ademas como v_3= 0 tengo que :
donde llamo v_5 al voltaje que hay luego de pasar por la resistencia de 2 kohm
Estan bien estas ecuaciones?
luego que mas puedo hacer?
Alguna ayuda?
Gracias
La resistencia de 4 y 1 estan en paralelo asi que seria una resistencia de R = 0.8 Ohm y luego puedo reducir algo mas?
Por el principio de corto virtual tengo que la entrada positivo y negativo estan al mismo voltaje que es cero
Si llamo a la entrada positiva del amplificador y llamo a la entrada negativa tengo que
Luego como la corriente que circula dentro del amplificador es cero entonces tengo que la corriente que circulara por la resistencia de 8 y 2 kohm sera la misma asi ademas como v_3= 0 tengo que :
donde llamo v_5 al voltaje que hay luego de pasar por la resistencia de 2 kohm
Estan bien estas ecuaciones?
luego que mas puedo hacer?








Comentario